
Welded Beams/Column's
AS/NZS 3679.2:2016
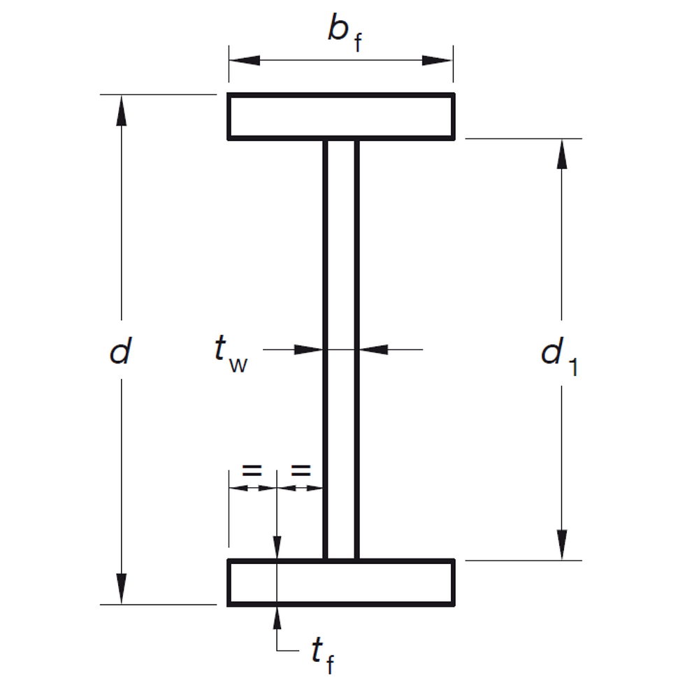
We supply in bulk welded beams and columns in full compliance with AS/NZS 3679.2:2016 through established partnerships with ISO 9001-certified international steel mills. All products are supplied with full mill testing and certification, ensuring material traceability, dimensional accuracy, and mechanical property compliance. Our supply capabilities include a wide range of section sizes and grades, with additional services such as cut-to-length, drilling, and surface treatments available to meet specific project requirements.
Welded Beams & Columns
Sizes range from small structural sections to large profiles suitable for major commercial, industrial, and infrastructure projects. Custom lengths, surface finishes, and additional processing services are also available to suit specific project needs.
AS/NZS 3679.2:2016
.png)
We only partner with certified manufacturers
AS/NZS 3679.1:2016
We exclusively partner with manufacturers who produce universal beams and columns in strict accordance with AS/NZS 3679.1. All our suppliers are carefully vetted to ensure their products meet the required standards for quality, strength, and dimensional accuracy. This commitment guarantees that every beam and column we supply is fully certified, traceable, and compliant, providing our clients with absolute confidence in the structural integrity of their projects.
ISO 9001:2015
We work exclusively with manufacturers who are ISO 9001 certified. This internationally recognized certification ensures that every stage of production follows strict quality management processes, resulting in consistent, reliable products. Our commitment to partnering with ISO 9001-certified manufacturers guarantees that our customers receive steel products they can trust for performance and durability.
ACRS
We exclusively partner with manufacturers who are certified by the Australasian Certification Authority for Reinforcing and Structural Steels (ACRS). This certification ensures that all steel products meet the rigorous requirements of Australian and New Zealand Standards. By working solely with ACRS-certified manufacturers, we guarantee traceable, independently audited, and consistently high-quality steel for every project we support.
.png)
.png)
.png)